TA-JMNF
2.2-5 Male to N Female Low-PIM Adapter
Specifications
Product classification
| Product Type | Adapter |
General specifications
| Body Style | Straight |
| Inner Contact Plating | Silver |
| Interface | 2.2-5 Male |
| Interface 2 | N Female |
| Mounting Angle | Straight |
| Outer Contact Plating | Trimetal |
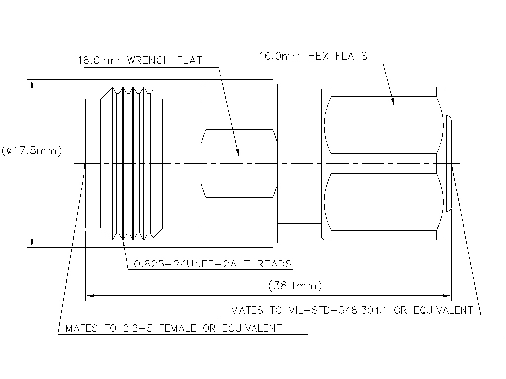
Dimensions
| Length | 38.1 mm | 1.500 in |
| Diameter | 17.42 mm | 0.686 in |
Outline drawing
| Click on image to enlarge. |
Electrical specifications
| 3rd Order IMD at Frequency | -163 dBm @ 1800 MHz |
| 3rd Order IMD Test Method | Two +43 dBm carriers |
| Connector Impedance | 50 ohm |
| dc Test Voltage | 1500 V |
| Inner Contact Resistance, maximum | 1.5 mOhm |
| Insulation Resistance, minimum | 5000 mOhm |
| Operating Frequency Band | 0 – 6000 MHz |
| Outer Contact Resistance, maximum | 2.5 mOhm |
Return loss/vswr
| Frequency band | Vswr | Return loss (db) |
| 0–3000 MHz | 1.065 | 30.04 |
| 3000–6000 MHz | 1.083 | 27.99 |
Mechanical specifications
| Coupling Nut Proof Torque | 3 N-m | 26.552 in lb |
| Coupling Nut Retention Force | 200 N | 44.962 lbf |
| Interface Durability | 100 cycles |
| Mechanical Shock Test Method | IEC 60068-2-27 |
Environmental specifications
| Operating Temperature | -55 °C to +85 °C (-67 °F to +185 °F) |
| Storage Temperature | -65 °C to +125 °C (-85 °F to +257 °F) |
| Attenuation, Ambient Temperature | 20 °C | 68 °F |
| Average Power, Ambient Temperature | 40 °C | 104 °F |
| Average Power, Inner Conductor Temperature | 100 °C | 212 °F |
| Climatic Sequence Test Method | IEC 60068-1 |
| Corrosion Test Method | IEC 60068-2-11 |
| Damp Heat Steady State Test Method | IEC 60068-2-3 |
| Thermal Shock Test Method | IEC 60068-2-14 |
| Vibration Test Method | IEC 60068-2-6 |
Packaging and weights
| Weight, net | 45.42 g | 0.100 lb |
Product classification
| Product Type | Adapter |
General specifications
| Body Style | Straight |
| Inner Contact Plating | Silver |
| Interface | 2.2-5 Male |
| Interface 2 | N Female |
| Mounting Angle | Straight |
| Outer Contact Plating | Trimetal |
Dimensions
| Length | 38.1 mm | 1.500 in |
| Diameter | 17.42 mm | 0.686 in |
Electrical specifications
| 3rd Order IMD at Frequency | -163 dBm @ 1800 MHz |
| 3rd Order IMD Test Method | Two +43 dBm carriers |
| Connector Impedance | 50 ohm |
| dc Test Voltage | 1500 V |
| Inner Contact Resistance, maximum | 1.5 mOhm |
| Insulation Resistance, minimum | 5000 mOhm |
| Operating Frequency Band | 0 – 6000 MHz |
| Outer Contact Resistance, maximum | 2.5 mOhm |
Return loss/vswr
| Frequency Band | VSWR | Return Loss (dB) |
| 0–3000 MHz | 1.065 | 30.04 |
| 3000–6000 MHz | 1.083 | 27.99 |
Mechanical specifications
| Coupling Nut Proof Torque | 3 N-m | 26.552 in lb |
| Coupling Nut Retention Force | 200 N | 44.962 lbf |
| Interface Durability | 100 cycles |
| Mechanical Shock Test Method | IEC 60068-2-27 |
Environmental specifications
| Operating Temperature | -55 °C to +85 °C (-67 °F to +185 °F) |
| Storage Temperature | -65 °C to +125 °C (-85 °F to +257 °F) |
| Attenuation, Ambient Temperature | 20 °C | 68 °F |
| Average Power, Ambient Temperature | 40 °C | 104 °F |
| Average Power, Inner Conductor Temperature | 100 °C | 212 °F |
| Climatic Sequence Test Method | IEC 60068-1 |
| Corrosion Test Method | IEC 60068-2-11 |
| Damp Heat Steady State Test Method | IEC 60068-2-3 |
| Thermal Shock Test Method | IEC 60068-2-14 |
| Vibration Test Method | IEC 60068-2-6 |
Packaging and weights
| Weight, net | 45.42 g | 0.100 lb |
| Click on image to enlarge. |
Documentation & downloads