400BPDM-CR
7-16 DIN Male for CNT-400 and CNT-400-Flex braided cable
Specifications
Product classification
| Product Type | Braided cable connector |
| Product Brand | CNT® |
General specifications
| Body Style | Straight |
| Inner Contact Attachment Method | Solder |
| Inner Contact Plating | Silver |
| Interface | 7-16 DIN Male |
| Outer Contact Attachment Method | Crimp |
| Outer Contact Plating | Trimetal |
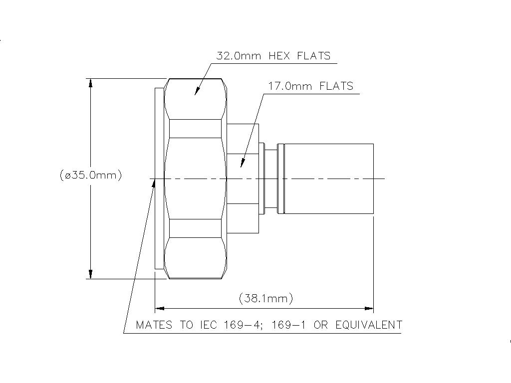
Dimensions
| Width | 35 mm | 1.378 in |
| Length | 38.12 mm | 1.501 in |
| Diameter | 35 mm | 1.378 in |
| Nominal Size | 0.405 in |
Outline drawing
| Click on image to enlarge. |
Electrical specifications
| Insertion Loss, typical | 0.05 dB |
| Average Power at Frequency | 580.0 W @ 900 MHz |
| Cable Impedance | 50 ohm |
| Connector Impedance | 50 ohm |
| dc Test Voltage | 2500 V |
| Inner Contact Resistance, maximum | 1.5 mOhm |
| Insulation Resistance, minimum | 10000 mOhm |
| Operating Frequency Band | 0 – 6000 MHz |
| Outer Contact Resistance, maximum | 0.4 mOhm |
| RF Operating Voltage, maximum (vrms) | 894 V |
Return loss/vswr
| Frequency band | Vswr | Return loss (db) |
| 0–3000 MHz | 1.080 | 28.30 |
| 3000–6000 MHz | 1.200 | 20.83 |
Mechanical specifications
| Connector Retention Tensile Force | 330 N | 74.187 lbf |
| Connector Retention Torque | 0.56 N-m | 4.956 in lb |
| Coupling Nut Proof Torque | 35 N-m | 309.776 in lb |
| Coupling Nut Proof Torque Method | IEC 61169-4:9.3.6 |
| Coupling Nut Retention Force | 1000 N | 224.809 lbf |
| Coupling Nut Retention Force Method | IEC 61169-4:15.2.6 |
| Interface Durability | 500 cycles |
| Interface Durability Method | IEC 61169-4:17 |
| Mechanical Shock Test Method | IEC 60068-2-27 |
Environmental specifications
| Operating Temperature | -40 °C to +85 °C (-40 °F to +185 °F) |
| Storage Temperature | -65 °C to +125 °C (-85 °F to +257 °F) |
| Attenuation, Ambient Temperature | 20 °C | 68 °F |
| Average Power, Ambient Temperature | 40 °C | 104 °F |
| Average Power, Inner Conductor Temperature | 100 °C | 212 °F |
| Climatic Sequence Test Method | IEC 60068-1 |
| Corrosion Test Method | IEC 60068-2-11 |
| Damp Heat Steady State Test Method | IEC 60068-2-3 |
| Thermal Shock Test Method | IEC 60068-2-14 |
| Vibration Test Method | IEC 60068-2-6 |
| Water Jetting Test Mating | Mated |
| Water Jetting Test Method | IEC 60529:2001, IP65 |
Packaging and weights
| Weight, net | 57.2 g | 0.126 lb |
Regulatory compliance/certifications
| Agency | Classification |
| ISO 9001:2015 | Designed, manufactured and/or distributed under this quality management system |
Product classification
| Product Type | Braided cable connector |
| Product Brand | CNT® |
General specifications
| Body Style | Straight |
| Inner Contact Attachment Method | Solder |
| Inner Contact Plating | Silver |
| Interface | 7-16 DIN Male |
| Outer Contact Attachment Method | Crimp |
| Outer Contact Plating | Trimetal |
Dimensions
| Width | 35 mm | 1.378 in |
| Length | 38.12 mm | 1.501 in |
| Diameter | 35 mm | 1.378 in |
| Nominal Size | 0.405 in |
Electrical specifications
| Insertion Loss, typical | 0.05 dB |
| Average Power at Frequency | 580.0 W @ 900 MHz |
| Cable Impedance | 50 ohm |
| Connector Impedance | 50 ohm |
| dc Test Voltage | 2500 V |
| Inner Contact Resistance, maximum | 1.5 mOhm |
| Insulation Resistance, minimum | 10000 mOhm |
| Operating Frequency Band | 0 – 6000 MHz |
| Outer Contact Resistance, maximum | 0.4 mOhm |
| RF Operating Voltage, maximum (vrms) | 894 V |
Return loss/vswr
| Frequency Band | VSWR | Return Loss (dB) |
| 0–3000 MHz | 1.080 | 28.30 |
| 3000–6000 MHz | 1.200 | 20.83 |
Mechanical specifications
| Connector Retention Tensile Force | 330 N | 74.187 lbf |
| Connector Retention Torque | 0.56 N-m | 4.956 in lb |
| Coupling Nut Proof Torque | 35 N-m | 309.776 in lb |
| Coupling Nut Proof Torque Method | IEC 61169-4:9.3.6 |
| Coupling Nut Retention Force | 1000 N | 224.809 lbf |
| Coupling Nut Retention Force Method | IEC 61169-4:15.2.6 |
| Interface Durability | 500 cycles |
| Interface Durability Method | IEC 61169-4:17 |
| Mechanical Shock Test Method | IEC 60068-2-27 |
Environmental specifications
| Operating Temperature | -40 °C to +85 °C (-40 °F to +185 °F) |
| Storage Temperature | -65 °C to +125 °C (-85 °F to +257 °F) |
| Attenuation, Ambient Temperature | 20 °C | 68 °F |
| Average Power, Ambient Temperature | 40 °C | 104 °F |
| Average Power, Inner Conductor Temperature | 100 °C | 212 °F |
| Climatic Sequence Test Method | IEC 60068-1 |
| Corrosion Test Method | IEC 60068-2-11 |
| Damp Heat Steady State Test Method | IEC 60068-2-3 |
| Thermal Shock Test Method | IEC 60068-2-14 |
| Vibration Test Method | IEC 60068-2-6 |
| Water Jetting Test Mating | Mated |
| Water Jetting Test Method | IEC 60529:2001, IP65 |
Packaging and weights
| Weight, net | 57.2 g | 0.126 lb |
| Click on image to enlarge. |
Regulatory compliance/certifications
| Agency | Classification |
| ISO 9001:2015 | Designed, manufactured and/or distributed under this quality management system |
Installation & videos
Documentation & downloads