Warning Icon
This product was discontinued on: December 31, 2024

For other alternatives, please contact us for more information.

1 Replacement products available
  • E12F05P96
    Diplexer, DCS 1800/UMTS 2100, AISG compatible, dc pass on all ports with 4.3-10 connectors

E14F06P32

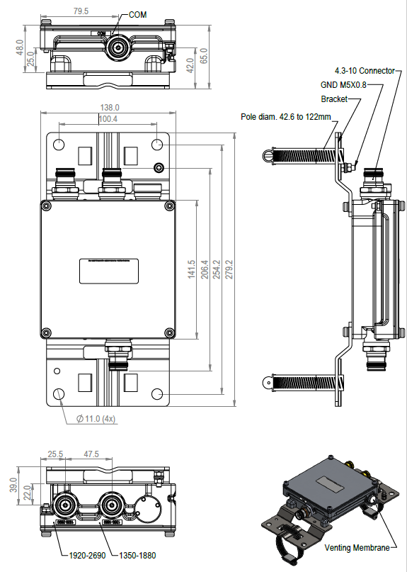
Ultra Compact Single Diplexer 1350-1880/1920-2690, 4.3-10 connectors

Finish making your selections or clear them to view relevant specifications.
Download specifications
Features and benefits
  • Ideal for small cell applications
  • Compact form factor with reduced size and weight
  • Suitable for space limited applications like Metro Cell, Lamp Pole, Concealment Solution and Macro Site
  • New 4.3-10 connectors for improved PIM performance and size reduction
  • Single configuration

Product classification

Product Type Diplexer

General specifications

Color Gray
Modularity 1-Single
Mounting Pole | Wall
Mounting Pipe Hardware Band clamps (2)
RF Connector Interface 4.3-10 Female

Dimensions

Height 48 mm | 1.890 in
Width 138 mm | 5.433 in
Depth 141.5 mm | 5.571 in
Mounting Pipe Diameter Range 42.6–122 mm

Outline drawing

Click on image to enlarge.

Electrical specifications

Impedance 50 ohm

Electrical specifications, dc power/alarm

dc/AISG Pass-through Method No dc/AISG pass-through
dc/AISG Pass-through, combiner dc/AISG blocking on all ports
dc/AISG Pass-through, demultiplexer dc/AISG blocking on all ports
Lightning Surge Current 5 kA
Lightning Surge Current Waveform 8/20 waveform

Electrical specifications

Sub-module 1 | 2 1 | 2
Branch 1 2
Port Designation PORT 1 1350-1880 PORT 2 1920-2690

Electrical specifications, band pass

Frequency Range, MHz 1350–1880 1920–2690
Insertion Loss, typical, dB 0.25 0.20
Return Loss, typical, dB 22 22
Isolation, typical, dB 38 38
Input Power, RMS, maximum, W 100 100
Input Power, PEP, maximum, W 1,000 1,000
3rd Order PIM, typical, dBc -162 -162
3rd Order PIM Test Method Two +43 dBm carriers Two +43 dBm carriers

Block diagram

Click on image to enlarge.

Environmental specifications

Operating Temperature -40 °C to +65 °C (-40 °F to +149 °F)
Corrosion Test Method IEC 60068-2-11, 30 days
Environmental Test Method ETSI EN 300 019-1-4
Ingress Protection Test Method IEC 60529:2001, IP67

Packaging and weights

Included Mounting hardware
Volume 0.95 L
Weight, net 2 kg | 4.409 lb
Weight, without mounting hardware 1.5 kg | 3.307 lb

Product classification

Product Type Diplexer

General specifications

Color Gray
Modularity 1-Single
Mounting Pole | Wall
Mounting Pipe Hardware Band clamps (2)
RF Connector Interface 4.3-10 Female

Dimensions

Height 48 mm | 1.890 in
Width 138 mm | 5.433 in
Depth 141.5 mm | 5.571 in
Mounting Pipe Diameter Range 42.6–122 mm

Electrical specifications

Impedance 50 ohm

Electrical specifications, dc power/alarm

dc/AISG Pass-through Method No dc/AISG pass-through
dc/AISG Pass-through, combiner dc/AISG blocking on all ports
dc/AISG Pass-through, demultiplexer dc/AISG blocking on all ports
Lightning Surge Current 5 kA
Lightning Surge Current Waveform 8/20 waveform

Electrical specifications

Sub-module 1 | 2 1 | 2
Branch 1 2
Port Designation PORT 1 1350-1880 PORT 2 1920-2690

Electrical specifications, band pass

Frequency Range, MHz 1350–1880 1920–2690
Insertion Loss, typical, dB 0.25 0.20
Return Loss, typical, dB 22 22
Isolation, typical, dB 38 38
Input Power, RMS, maximum, W 100 100
Input Power, PEP, maximum, W 1,000 1,000
3rd Order PIM, typical, dBc -162 -162
3rd Order PIM Test Method Two +43 dBm carriers Two +43 dBm carriers

Environmental specifications

Operating Temperature -40 °C to +65 °C (-40 °F to +149 °F)
Corrosion Test Method IEC 60068-2-11, 30 days
Environmental Test Method ETSI EN 300 019-1-4
Ingress Protection Test Method IEC 60529:2001, IP67

Packaging and weights

Included Mounting hardware
Volume 0.95 L
Weight, net 2 kg | 4.409 lb
Weight, without mounting hardware 1.5 kg | 3.307 lb
Click on image to enlarge.
Click on image to enlarge.
Filter Products – Designed for PIM Excellence
Filter Products – Designed for PIM Excellence

Product specification

Product specification