CHB626-43-2X | D15T01P38
Twin Hybrid Combiner
Features and benefits
- Hybrid combiner providing the flexibility of combining any two carriers within 617-2700 MHz
- Ideal for combining carriers of any technology combination (LTE, UMTS, CDMA, GSM, etc.) independent of guard band restrictions
- Integrated low PIM load allows for simplified installation
- Self-contained housing ensures highest reliability in severe environments
- DC-AISG passing capability from Port 2 to Common Port
- New 4.3-10 connectors for improved PIM performance and size reduction
Specifications
Product classification
| Product Type | Hybrid combiner |
| Product Brand | UltraBand™ |
General specifications
| AISG Carrier | 2176 KHz ± 100 ppm |
| Color | Gray |
| Connector Interface | 4.3-10 Female |
| Modularity | Two-pack twin |
| Mounting | Pole | Wall |
| Mounting Pipe Hardware | Band clamps |
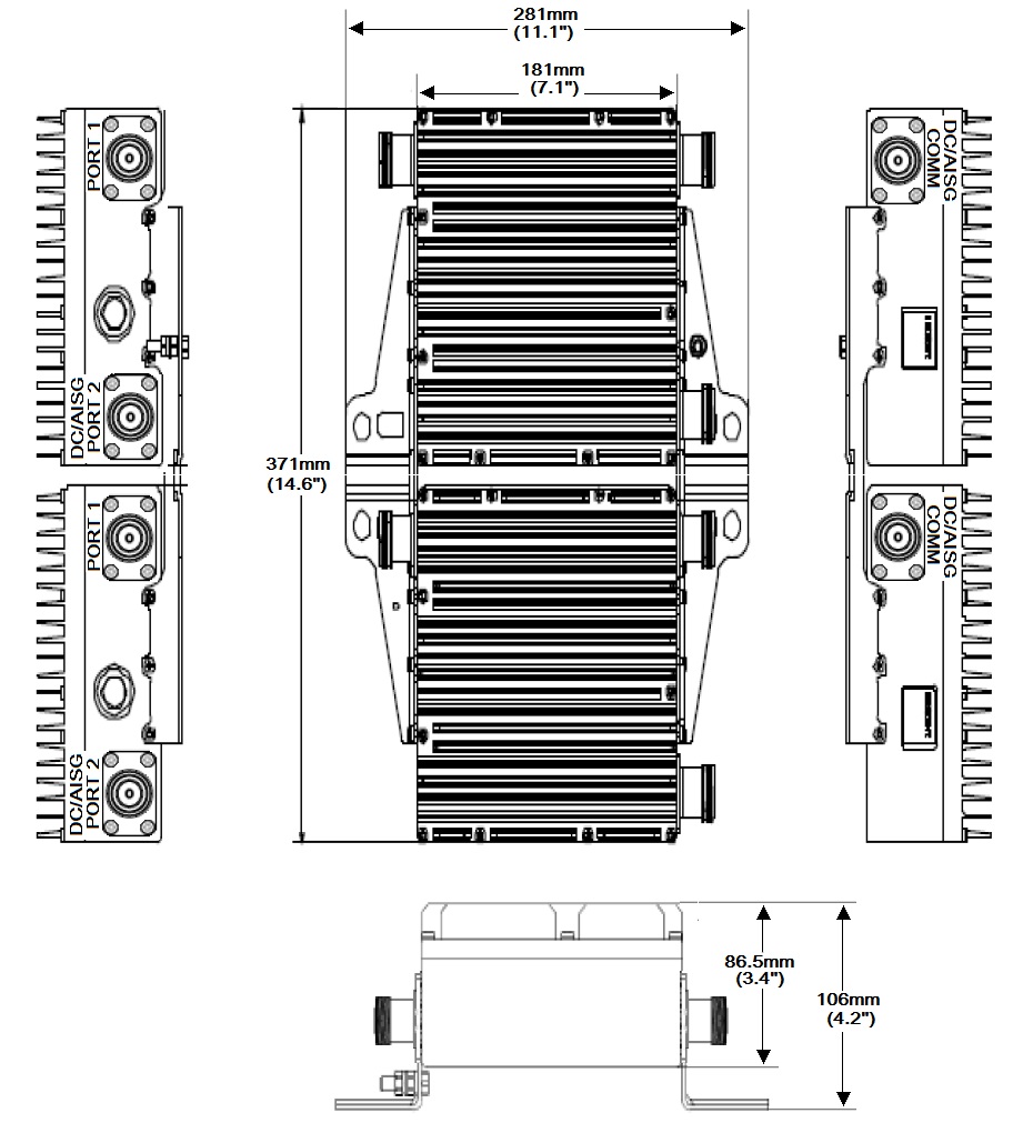
Dimensions
| Height | 181 mm | 7.126 in |
| Width | 371 mm | 14.606 in |
| Depth | 86.5 mm | 3.406 in |
| Ground Screw Diameter | 6 mm | 0.236 in |
Outline drawing
| Click on image to enlarge. |
Electrical specifications
| 3rd Order IMD Test Method | Two +43 dBm carriers |
| 3rd Order IMD typical | -161 dBc |
| dc Pass-through | Branch 2 |
| Lightning Surge Current | 10 kA |
| Lightning Surge Current Waveform | 8/20 waveform |
Electrical specifications, aisg
| dc Current, maximum | 2.5 A |
Electrical specifications, branch 1
| Coupling | 3.1 dB |
| Coupling Tolerance | ±0.8 dB |
| Input Power, PEP | 3000 W |
| Input Power, RMS | 150 W |
| Isolation, typical | 30 dB |
| Operating Frequency Band | 617 – 2700 MHz |
| Port Designation | Port 1 |
| Return Loss, typical | 22 dB |
Electrical specifications, branch 2
| Coupling | 3.1 dB |
| Coupling Tolerance | ±0.8 dB |
| Input Power, PEP | 3000 W |
| Input Power, RMS | 150 W |
| Isolation, typical | 30 dB |
| Operating Frequency Band | 617 – 2700 MHz |
| Port Designation | Port 2 |
| Return Loss, typical | 22 dB |
Block diagram
| Click on image to enlarge. |
Environmental specifications
| Operating Temperature | -40 °C to +65 °C (-40 °F to +149 °F) |
| Ingress Protection Test Method | IEC 60529:2001, IP67 |
Packaging and weights
| Included | Mounting hardware |
| Weight, net | 8.8 kg | 19.401 lb |
Regulatory compliance/certifications
| Agency | Classification |
| ISO 9001:2015 | Designed, manufactured and/or distributed under this quality management system |
Product classification
| Product Type | Hybrid combiner |
| Product Brand | UltraBand™ |
General specifications
| AISG Carrier | 2176 KHz ± 100 ppm |
| Color | Gray |
| Connector Interface | 4.3-10 Female |
| Modularity | Two-pack twin |
| Mounting | Pole | Wall |
| Mounting Pipe Hardware | Band clamps |
Dimensions
| Height | 181 mm | 7.126 in |
| Width | 371 mm | 14.606 in |
| Depth | 86.5 mm | 3.406 in |
| Ground Screw Diameter | 6 mm | 0.236 in |
Electrical specifications
| 3rd Order IMD Test Method | Two +43 dBm carriers |
| 3rd Order IMD typical | -161 dBc |
| dc Pass-through | Branch 2 |
| Lightning Surge Current | 10 kA |
| Lightning Surge Current Waveform | 8/20 waveform |
Electrical specifications, aisg
| dc Current, maximum | 2.5 A |
Electrical specifications, branch 1
| Coupling | 3.1 dB |
| Coupling Tolerance | ±0.8 dB |
| Input Power, PEP | 3000 W |
| Input Power, RMS | 150 W |
| Isolation, typical | 30 dB |
| Operating Frequency Band | 617 – 2700 MHz |
| Port Designation | Port 1 |
| Return Loss, typical | 22 dB |
Electrical specifications, branch 2
| Coupling | 3.1 dB |
| Coupling Tolerance | ±0.8 dB |
| Input Power, PEP | 3000 W |
| Input Power, RMS | 150 W |
| Isolation, typical | 30 dB |
| Operating Frequency Band | 617 – 2700 MHz |
| Port Designation | Port 2 |
| Return Loss, typical | 22 dB |
Environmental specifications
| Operating Temperature | -40 °C to +65 °C (-40 °F to +149 °F) |
| Ingress Protection Test Method | IEC 60529:2001, IP67 |
Packaging and weights
| Included | Mounting hardware |
| Weight, net | 8.8 kg | 19.401 lb |
| Click on image to enlarge. |
| Click on image to enlarge. |
Regulatory compliance/certifications
| Agency | Classification |
| ISO 9001:2015 | Designed, manufactured and/or distributed under this quality management system |
Installation & videos
Installation instruction
Filter Products – Designed for PIM Excellence
Filter Products – Designed for PIM Excellence
Documentation & downloads