E14F20P09
Twin Pentaplexer 617-960/1350-2200/2300-2400/2496-2700/3300-4200, dc bypass on low ports, with 4.3-10 connectors
Features and benefits
- New Combining Solution to introduce 5G, 3.5GHz band
- Industry leading PIM performance
- New 4.3-10 connectors for improved PIM performance and size reduction
- Suitable for feeders cables reduction
- dc/AISG pass-through on low frequency ports
- Clam shell configuration
Specifications
Product classification
| Product Type | Pentaplexer |
General specifications
| Color | Gray |
| Modularity | 2-Twin |
| Mounting | Pole | Wall |
| Mounting Pipe Hardware | Band clamps (2) |
| RF Connector Interface | 4.3-10 Female |
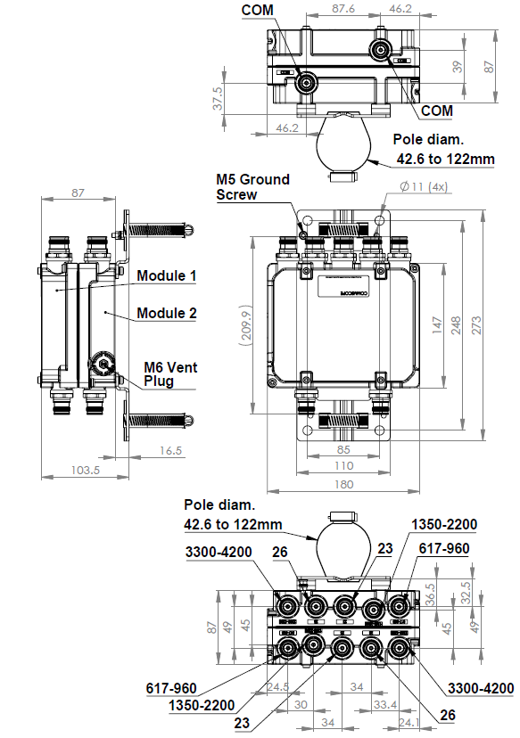
Dimensions
| Height | 87 mm | 3.425 in |
| Width | 180 mm | 7.087 in |
| Depth | 157 mm | 6.181 in |
| Mounting Pipe Diameter Range | 42.6–122 mm |
Outline drawing
| Click on image to enlarge. |
Electrical specifications
| Impedance | 50 ohm |
Electrical specifications, dc power/alarm
| dc/AISG Pass-through, combiner | Branch 1 |
| dc/AISG Pass-through, demultiplexer | Branch 1 |
| Lightning Surge Current | 5 kA |
| Lightning Surge Current Waveform | 8/20 waveform |
Electrical specifications
| Sub-module | 1 | 2 | 1 | 2 | 1 | 2 | 1 | 2 | 1 | 2 |
| Branch | 1 | 2 | 3 | 4 | 5 |
| Port Designation | PORT 1 617-960 | PORT 2 1350-2200 | PORT 3 2300-2400 | PORT 4 2496-2700 | PORT 5 3300-4200 |
Electrical specifications, band pass
| Frequency Range, MHz | 617–960 | 1350–2200 | 2300–2400 | 2496–2700 (LookupValue_4768483545944431) | 3300–4200 |
| Insertion Loss, typical, dB | 0.15 | 0.20 | 0.30 | 0.30 | 0.20 |
| Return Loss, typical, dB | 20 | 20 | 20 | 20 | 20 |
| Isolation, typical, dB | 35 | 35 | 35 | 45 | 55 |
| Input Power, RMS, maximum, W | 125 | 125 | 125 | 125 | 125 |
| Input Power, PEP, maximum, W | 1,250 | 1,250 | 1,250 | 1,250 | 1,250 |
| 3rd Order PIM, typical, dBc | -163 | -163 | -163 | -163 | -163 |
| 3rd Order PIM Test Method | Two +43 dBm carriers | Two +43 dBm carriers | Two +43 dBm carriers | Two +43 dBm carriers | Two +43 dBm carriers |
Block diagram
| Click on image to enlarge. |
Mechanical specifications
| Wind Speed, maximum | 240 km/h (149 mph) |
Environmental specifications
| Operating Temperature | -40 °C to +65 °C (-40 °F to +149 °F) |
| Corrosion Test Method | IEC 60068-2-11, 30 days |
| Environmental Test Method | ETSI EN 300 019-1-4 |
| Ingress Protection Test Method | IEC 60529:2001, IP67 |
Packaging and weights
| Included | Mounting hardware |
| Volume | 2.5 L |
| Weight, net | 4.7 kg | 10.362 lb |
| Weight, without mounting hardware | 4.3 kg | 9.480 lb |
Product classification
| Product Type | Pentaplexer |
General specifications
| Color | Gray |
| Modularity | 2-Twin |
| Mounting | Pole | Wall |
| Mounting Pipe Hardware | Band clamps (2) |
| RF Connector Interface | 4.3-10 Female |
Dimensions
| Height | 87 mm | 3.425 in |
| Width | 180 mm | 7.087 in |
| Depth | 157 mm | 6.181 in |
| Mounting Pipe Diameter Range | 42.6–122 mm |
Electrical specifications
| Impedance | 50 ohm |
Electrical specifications, dc power/alarm
| dc/AISG Pass-through, combiner | Branch 1 |
| dc/AISG Pass-through, demultiplexer | Branch 1 |
| Lightning Surge Current | 5 kA |
| Lightning Surge Current Waveform | 8/20 waveform |
Electrical specifications
| Sub-module | 1 | 2 | 1 | 2 | 1 | 2 | 1 | 2 | 1 | 2 |
| Branch | 1 | 2 | 3 | 4 | 5 |
| Port Designation | PORT 1 617-960 | PORT 2 1350-2200 | PORT 3 2300-2400 | PORT 4 2496-2700 | PORT 5 3300-4200 |
Electrical specifications, band pass
| Frequency Range, MHz | 617–960 | 1350–2200 | 2300–2400 | 2496–2700 (LookupValue_4768483545944431) | 3300–4200 |
| Insertion Loss, typical, dB | 0.15 | 0.20 | 0.30 | 0.30 | 0.20 |
| Return Loss, typical, dB | 20 | 20 | 20 | 20 | 20 |
| Isolation, typical, dB | 35 | 35 | 35 | 45 | 55 |
| Input Power, RMS, maximum, W | 125 | 125 | 125 | 125 | 125 |
| Input Power, PEP, maximum, W | 1,250 | 1,250 | 1,250 | 1,250 | 1,250 |
| 3rd Order PIM, typical, dBc | -163 | -163 | -163 | -163 | -163 |
| 3rd Order PIM Test Method | Two +43 dBm carriers | Two +43 dBm carriers | Two +43 dBm carriers | Two +43 dBm carriers | Two +43 dBm carriers |
Mechanical specifications
| Wind Speed, maximum | 240 km/h (149 mph) |
Environmental specifications
| Operating Temperature | -40 °C to +65 °C (-40 °F to +149 °F) |
| Corrosion Test Method | IEC 60068-2-11, 30 days |
| Environmental Test Method | ETSI EN 300 019-1-4 |
| Ingress Protection Test Method | IEC 60529:2001, IP67 |
Packaging and weights
| Included | Mounting hardware |
| Volume | 2.5 L |
| Weight, net | 4.7 kg | 10.362 lb |
| Weight, without mounting hardware | 4.3 kg | 9.480 lb |
| Click on image to enlarge. |
| Click on image to enlarge. |
Installation & videos
Installation instruction
Filter Products – Designed for PIM Excellence
Filter Products – Designed for PIM Excellence
Documentation & downloads