Warning Icon

For other alternatives, please contact us for more information.

0 Alternative products available

E14F15P19

Ultra Compact Single Quadplexer 698-960/1800/2100/2600, with 4.3-10 connectors

Finish making your selections or clear them to view relevant specifications.
Download specifications
Features and benefits
  • Ideal for small cell applications
  • Compact form factor with reduced size and weight
  • Suitable for space limited applications like Metro Cell, Lamp Pole, Concealment Solution and Macro Site
  • New 4.3-10 connectors for improved PIM performance and size reduction
  • Single configuration

Product classification

Product Type Quadplexer

General specifications

Product Family CBC7182126
Color Gray
Common Port Label PORT 0 COM
Modularity 1-Single
Mounting Pole | Wall
Mounting Pipe Hardware Band clamps (2)
RF Connector Interface 4.3-10 Female
RF Connector Interface Body Style Medium neck

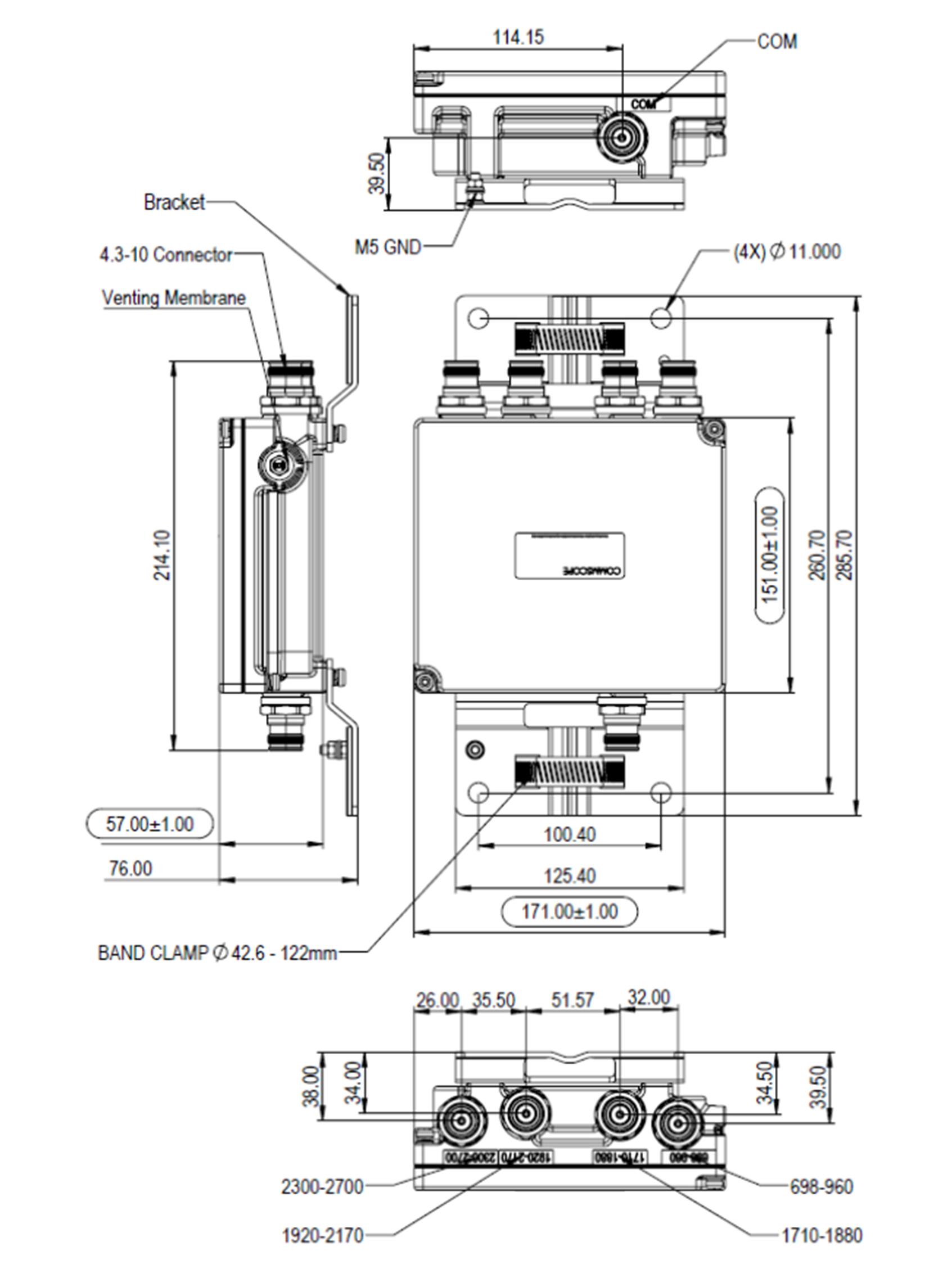
Dimensions

Height 45 mm | 1.772 in
Width 151 mm | 5.945 in
Depth 171 mm | 6.732 in
Mounting Pipe Diameter Range 42.6–122 mm

Outline drawing

Click on image to enlarge.

Electrical specifications

Impedance 50 ohm
License Band, Band Pass APT 700 | AWS 2000 | CEL 850 | CEL 900 | DCS 1800 | EDD 800 | IMT 2100 | IMT 2600 | LMR 800 | LMR 900 | PCS 1900 | TDD 2600

Electrical specifications, dc power/alarm

dc/AISG Pass-through Method Factory set
dc/AISG Pass-through Path Branch 1
dc/AISG Pass-through, combiner Branch 1
dc/AISG Pass-through, demultiplexer Branch 1
Lightning Surge Current 5 kA
Lightning Surge Current Waveform 8/20 waveform

Electrical specifications, aisg

AISG Carrier 2176 KHz ± 100 ppm

Electrical specifications

Sub-module 1 | 2 1 | 2 1 | 2 1 | 2
Branch 1 2 3 4
Port Designation PORT 1 698-960 PORT 2 1710-1880 PORT 3 1920-2170 PORT 4 2300-2700
License Band CEL 850, Band Pass
CEL 900, Band Pass
EDD 800, Band Pass
LMR 800, Band Pass
LMR 900, Band Pass
DCS 1800, Band Pass AWS 2000, Band Pass
IMT 2100, Band Pass
PCS 1900, Band Pass
IMT 2600, Band Pass
TDD 2300, Band Pass
TDD 2600, Band Pass

Electrical specifications, band pass

Frequency Range, MHz 698–960 1710–1880 1920–2170 2300–2700
Insertion Loss, typical, dB 0.10 0.25 0.30 0.20
Return Loss, typical, dB 22 22 22 22
Isolation, typical, dB 55 38 38 38
Input Power, RMS, maximum, W 125 125 125 125
Input Power, PEP, maximum, W 1,200 1,200 1,200 1,200
3rd Order PIM, typical, dBc -157 -157 -157 -157
3rd Order PIM Test Method Two +43 dBm carriers Two +43 dBm carriers Two +43 dBm carriers Two +43 dBm carriers

Block diagram

Click on image to enlarge.

Material specifications

Finish Painted

Mechanical specifications

Wind Speed, maximum 216 km/h (134 mph)

Environmental specifications

Operating Temperature -40 °C to +65 °C (-40 °F to +149 °F)
Relative Humidity 15%–100%
Corrosion Test Method IEC 60068-2-11, 30 days
Ingress Protection Test Method IEC 60529:2001, IP67
Vibration Test Method IEC 60068-2-6

Packaging and weights

Included Mounting hardware
Volume 1.2 L
Weight, net 1.6 kg | 3.527 lb

Product classification

Product Type Quadplexer

General specifications

Product Family CBC7182126
Color Gray
Common Port Label PORT 0 COM
Modularity 1-Single
Mounting Pole | Wall
Mounting Pipe Hardware Band clamps (2)
RF Connector Interface 4.3-10 Female
RF Connector Interface Body Style Medium neck

Dimensions

Height 45 mm | 1.772 in
Width 151 mm | 5.945 in
Depth 171 mm | 6.732 in
Mounting Pipe Diameter Range 42.6–122 mm

Electrical specifications

Impedance 50 ohm
License Band, Band Pass APT 700 | AWS 2000 | CEL 850 | CEL 900 | DCS 1800 | EDD 800 | IMT 2100 | IMT 2600 | LMR 800 | LMR 900 | PCS 1900 | TDD 2600

Electrical specifications, dc power/alarm

dc/AISG Pass-through Method Factory set
dc/AISG Pass-through Path Branch 1
dc/AISG Pass-through, combiner Branch 1
dc/AISG Pass-through, demultiplexer Branch 1
Lightning Surge Current 5 kA
Lightning Surge Current Waveform 8/20 waveform

Electrical specifications, aisg

AISG Carrier 2176 KHz ± 100 ppm

Electrical specifications

Sub-module 1 | 2 1 | 2 1 | 2 1 | 2
Branch 1 2 3 4
Port Designation PORT 1 698-960 PORT 2 1710-1880 PORT 3 1920-2170 PORT 4 2300-2700
License Band CEL 850, Band Pass; CEL 900, Band Pass; EDD 800, Band Pass; LMR 800, Band Pass; LMR 900, Band Pass DCS 1800, Band Pass AWS 2000, Band Pass; IMT 2100, Band Pass; PCS 1900, Band Pass IMT 2600, Band Pass; TDD 2300, Band Pass; TDD 2600, Band Pass

Electrical specifications, band pass

Frequency Range, MHz 698–960 1710–1880 1920–2170 2300–2700
Insertion Loss, typical, dB 0.10 0.25 0.30 0.20
Return Loss, typical, dB 22 22 22 22
Isolation, typical, dB 55 38 38 38
Input Power, RMS, maximum, W 125 125 125 125
Input Power, PEP, maximum, W 1,200 1,200 1,200 1,200
3rd Order PIM, typical, dBc -157 -157 -157 -157
3rd Order PIM Test Method Two +43 dBm carriers Two +43 dBm carriers Two +43 dBm carriers Two +43 dBm carriers

Material specifications

Finish Painted

Mechanical specifications

Wind Speed, maximum 216 km/h (134 mph)

Environmental specifications

Operating Temperature -40 °C to +65 °C (-40 °F to +149 °F)
Relative Humidity 15%–100%
Corrosion Test Method IEC 60068-2-11, 30 days
Ingress Protection Test Method IEC 60529:2001, IP67
Vibration Test Method IEC 60068-2-6

Packaging and weights

Included Mounting hardware
Volume 1.2 L
Weight, net 1.6 kg | 3.527 lb
Click on image to enlarge.
Click on image to enlarge.
Filter Products – Designed for PIM Excellence
Filter Products – Designed for PIM Excellence

Product specification

Product specification