Warning Icon
This product was discontinued on: December 30, 2024

For other alternatives, please contact us for more information.

0 Replacement products available

E12F03P18

CS-TPX 700/825-880/898.4-960 DC ALL, RJ30

Finish making your selections or clear them to view relevant specifications.
Download specifications
Features and benefits
  • New 4.3-10 connectors for improved PIM performance and size reduction
  • Additional Rejection in 880-890 MHz band 30 dB
  • Twin configuration
  • dc/AISG pass-through on all frequency ports

Product classification

Product Type Triplexer

General specifications

Product Family CBC1821
Color Gray
Common Port Label PORT 3 COMMON
Modularity 2-Twin
Mounting Pole | Wall
Mounting Pipe Hardware Band clamps (2)
RF Connector Interface 4.3-10 Female
RF Connector Interface Body Style Long neck

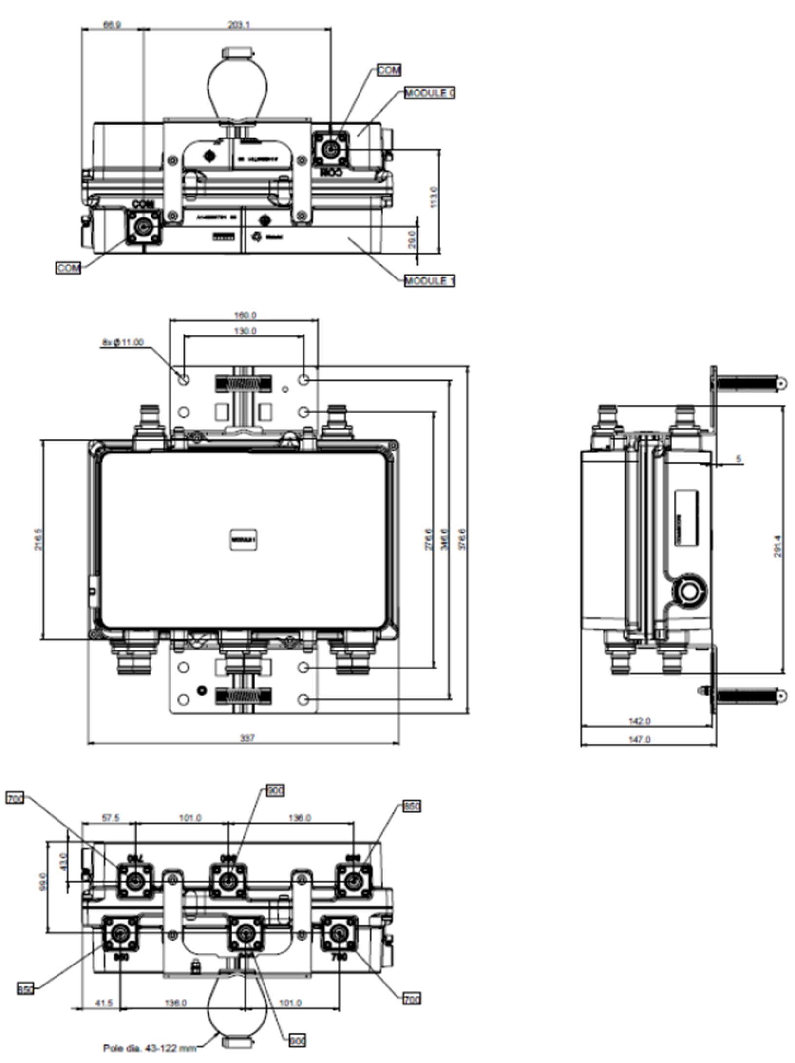
Dimensions

Height 337 mm | 13.268 in
Width 216.5 mm | 8.524 in
Depth 142 mm | 5.591 in
Mounting Pipe Diameter Range 42.6–122 mm

Outline drawing

Click on image to enlarge.

Electrical specifications

Impedance 50 ohm
License Band, Band Pass APT 700 | CEL 850 | CEL 900 | DCS 1800 | IMT 2100 | USA 700

Electrical specifications, dc power/alarm

dc/AISG Pass-through Method Factory set
dc/AISG Pass-through Path Branch 1 | Branch 2 | Branch 3
dc/AISG Pass-through, combiner Branch 1 | Branch 2 | Branch 3
dc/AISG Pass-through, demultiplexer Branch 1 | Branch 2 | Branch 3
Lightning Surge Current 5 kA
Lightning Surge Current Waveform 8/20 waveform

Electrical specifications

Sub-module 1 | 2 1 | 2 1 | 2
Branch 1 2 3
Port Designation PORT 1 850 PORT 2 900 PORT 3 700
License Band CEL 850, Band Pass CEL 900, Band Pass APT 700, Band Pass
USA 700, Band Pass

Electrical specifications, band pass

Frequency Range, MHz 825–880 898.4–960 703–803
Insertion Loss, typical, dB 0.35 0.30 0.30
Return Loss, typical, dB 20 20 20
Isolation, minimum, dB 50 50 50
Input Power, RMS, maximum, W 160 160 160
Input Power, PEP, maximum, W 2,500 2,500 2,500
3rd Order PIM, typical, dBc -153 -153 -153
3rd Order PIM Test Method Two +43 dBm carriers Two +43 dBm carriers Two +43 dBm carriers

Electrical specifications, band reject

Frequency Range, MHz 880–890
Attenuation, minimum, dB 30.0

Block diagram

Click on image to enlarge.

Environmental specifications

Operating Temperature -40 °C to +60 °C (-40 °F to +140 °F)
Corrosion Test Method IEC 60068-2-11, 30 days
Ingress Protection Test Method IEC 60529:2001, IP67

Packaging and weights

Included Mounting hardware
Volume 10.5 L
Weight, net 12 kg | 26.455 lb

Regulatory compliance/certifications

Agency Classification
ISO 9001:2015 Designed, manufactured and/or distributed under this quality management system

Product classification

Product Type Triplexer

General specifications

Product Family CBC1821
Color Gray
Common Port Label PORT 3 COMMON
Modularity 2-Twin
Mounting Pole | Wall
Mounting Pipe Hardware Band clamps (2)
RF Connector Interface 4.3-10 Female
RF Connector Interface Body Style Long neck

Dimensions

Height 337 mm | 13.268 in
Width 216.5 mm | 8.524 in
Depth 142 mm | 5.591 in
Mounting Pipe Diameter Range 42.6–122 mm

Electrical specifications

Impedance 50 ohm
License Band, Band Pass APT 700 | CEL 850 | CEL 900 | DCS 1800 | IMT 2100 | USA 700

Electrical specifications, dc power/alarm

dc/AISG Pass-through Method Factory set
dc/AISG Pass-through Path Branch 1 | Branch 2 | Branch 3
dc/AISG Pass-through, combiner Branch 1 | Branch 2 | Branch 3
dc/AISG Pass-through, demultiplexer Branch 1 | Branch 2 | Branch 3
Lightning Surge Current 5 kA
Lightning Surge Current Waveform 8/20 waveform

Electrical specifications

Sub-module 1 | 2 1 | 2 1 | 2
Branch 1 2 3
Port Designation PORT 1 850 PORT 2 900 PORT 3 700
License Band CEL 850, Band Pass CEL 900, Band Pass APT 700, Band Pass; USA 700, Band Pass

Electrical specifications, band pass

Frequency Range, MHz 825–880 898.4–960 703–803
Insertion Loss, typical, dB 0.35 0.30 0.30
Return Loss, typical, dB 20 20 20
Isolation, minimum, dB 50 50 50
Input Power, RMS, maximum, W 160 160 160
Input Power, PEP, maximum, W 2,500 2,500 2,500
3rd Order PIM, typical, dBc -153 -153 -153
3rd Order PIM Test Method Two +43 dBm carriers Two +43 dBm carriers Two +43 dBm carriers

Electrical specifications, band reject

Frequency Range, MHz 880–890
Attenuation, minimum, dB 30.0

Environmental specifications

Operating Temperature -40 °C to +60 °C (-40 °F to +140 °F)
Corrosion Test Method IEC 60068-2-11, 30 days
Ingress Protection Test Method IEC 60529:2001, IP67

Packaging and weights

Included Mounting hardware
Volume 10.5 L
Weight, net 12 kg | 26.455 lb
Click on image to enlarge.
Click on image to enlarge.

Regulatory compliance/certifications

Agency Classification
ISO 9001:2015 Designed, manufactured and/or distributed under this quality management system
Filter Products – Designed for PIM Excellence
Filter Products – Designed for PIM Excellence

Product specification

Product specification